News centres
在雷雨时,随着闪电而来的是强大的轰隆声。雷声起初同枪声一样,是一阵短促而有力的响声,接…
发布时间 : 2020-12-25
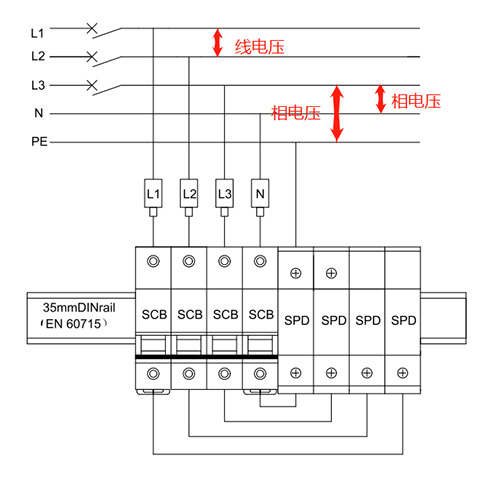
很多人在进行浪涌保护器选型的时候,经常发现这样一个问题:为什么线路电压是380v或440v,而…
发布时间 : 2020-12-21
许多商家在购买了浪涌保护器之后,是否仍然不知道浪涌保护器怎么安装,也不知道浪涌保护器…
发布时间 : 2020-12-17
T1级后备保护器在电路中被安装在浪涌保护器前端,用于保护浪涌保护器不被短路电流烧坏或引起…
发布时间 : 2020-12-14
浪涌保护器在低压配电系统的防雷保护中被广泛地使用,因为浪涌保护器本身为损耗行元器件,其…
发布时间 : 2020-12-07
我们知道一级浪涌保护器、二级浪涌保护器、三级浪涌保护器等规格型号都很多,那么我们如何选…
发布时间 : 2020-11-17